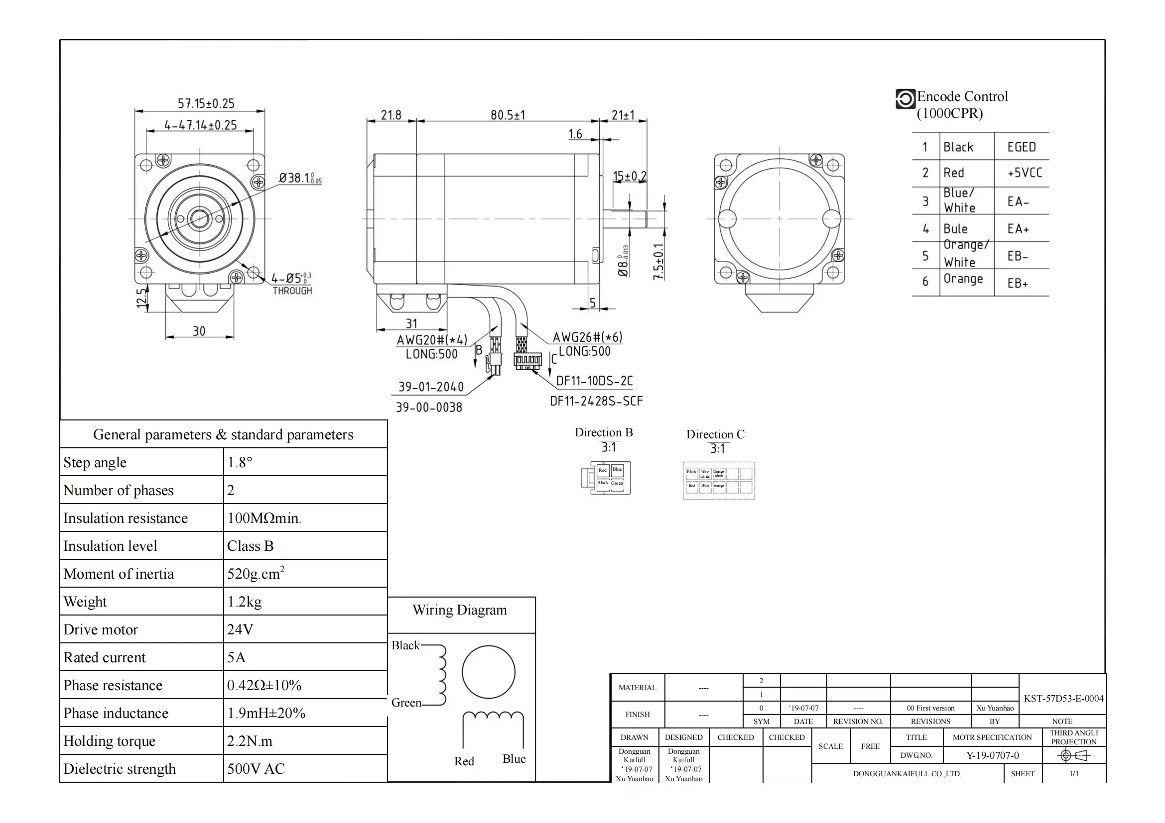
KST-57D53-E-0004 1.8° Stepper Motor, 5A Rated Current, 2.2N.m Holding Torque, 24V DC, 1.2kg, 520g·cm² Inertia
The KST-57D53-E-0004 is a high-performance 24V DC stepper motor featuring a 1.8° step angle and 5A rated current, designed for precise motion control in demanding applications. With a robust holding torque of 2.2N·m, it delivers reliable performance in automation systems, CNC machines, and industrial equipment.
The motor’s moment of inertia of 520g·cm² and phase inductance of 1.9mH ensure smooth and responsive motion while minimizing vibration, making it ideal for tasks requiring high precision. Its phase resistance of 0.42Ω ensures low energy loss, contributing to improved energy efficiency and reduced heat generation.
Weighing 1.2kg and with a dielectric strength of 500V AC, the motor is built to handle high-power operations and is ideal for demanding industrial and commercial applications. The insulation resistance of 100MΩ ensures the motor’s durability and safe operation in harsh environments.
Whether used in robotics, 3D printing, or CNC machinery, the KST-57D53-E-0004 offers the precision and reliability needed for precise control of motion with minimal maintenance.
| ●Motor configuration and performance parameters | |||||||||||||||||||||||||||
|
|||||||||||||||||||||||||||








Daniel.Ding
Ding



