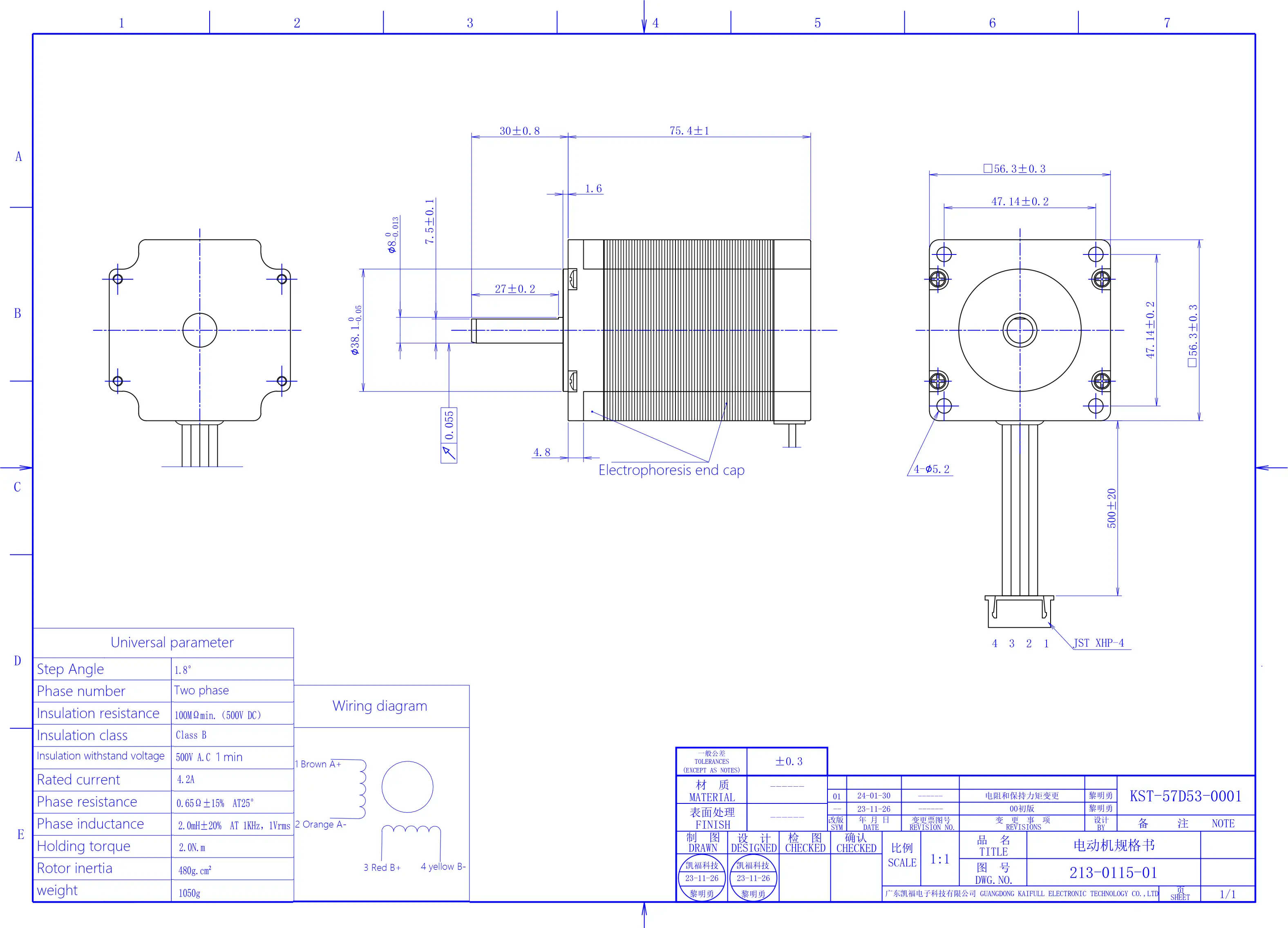
KST-57D53-0001 1.8° Stepper Motor, 4.2A Rated Current, 2.0N·m Holding Torque, 57mm Frame Size
The KST-57D53-0001 stepper motor is a high-performance two-phase motor designed for demanding applications requiring precision and high torque. With a 1.8° step angle, it offers accurate positioning for use in automation systems, robotics, CNC machines, and other industrial applications.
This motor features a rated current of 4.2A, delivering 2.0N·m holding torque to ensure reliable operation under heavy loads. Its phase resistance of 0.65Ω ± 15% at 25°C and phase inductance of 2.0mH ± 20% ensure consistent performance. Built with Class B insulation, the motor can withstand harsh operational environments and offers insulation resistance of 100MΩ min. at 500V DC. Additionally, the motor's insulation withstand voltage is rated at 500V A.C. for 1 minute, ensuring both safety and durability.
With a moment of inertia of 480g·cm² and a weight of 1050g, the KST-57D53-0001 provides excellent torque-to-weight ratio and is ideal for applications requiring high torque in tight spaces. Its robust design ensures longevity and reliable performance over extended periods.
The KST-57D53-0001 stepper motor is a great choice for high-precision motion control and is well-suited for use in industrial automation and robotics.
| ●Motor configuration and performance parameters | |||||||||||||||||||||||||
|
|||||||||||||||||||||||||








Daniel.Ding
Ding



