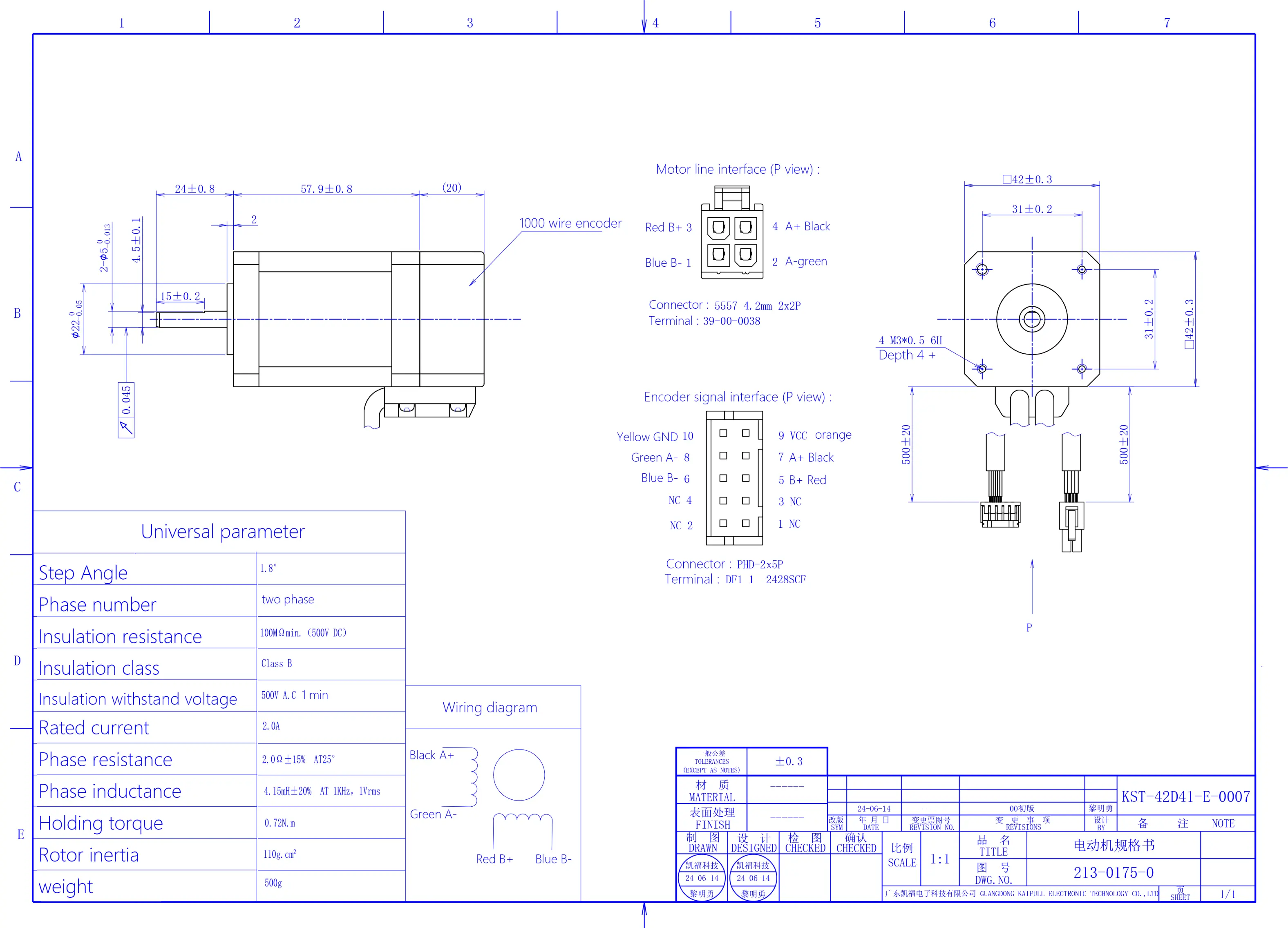
KST-42D41-E-0007 1.8° Stepper Motor, 2.0A Rated Current, 0.72N·m Holding Torque
The KST-42D41-E-0007 is a high-performance two-phase stepper motor, meticulously designed to deliver precision, efficiency, and durability in various motion control applications. Its robust construction and reliable operation make it an excellent solution for industrial and commercial systems.
Key Features:
- Step Angle: 1.8°, enabling precise and smooth rotational movements.
- Rated Current: 2.0A, supporting consistent and efficient performance.
- Phase Resistance: 2.0Ω ± 15%, ensuring stable electrical operation.
- Phase Inductance: 4.15mH ± 20%, optimizing the motor's response to dynamic loads.
- Holding Torque: 0.72N·m, suitable for moderate torque requirements in demanding applications.
- Rotor Inertia: 110g·cm², minimizing vibrations and enhancing control accuracy.
- Weight: 500g, combining lightweight design with a sturdy build.
- Insulation Class: Class B, allowing the motor to operate safely in elevated temperature environments.
- Insulation Resistance: 100MΩ minimum (500V DC), ensuring electrical safety and long-lasting reliability.
This motor is perfect for CNC machinery, medical devices, automated assembly lines, and other applications where precision and reliability are critical. The KST-42D41-E-0007 offers a versatile and dependable solution for advanced motion control systems.
| ●Motor configuration and performance parameters | |||||||||||||||||||||||||
|
|||||||||||||||||||||||||








Daniel.Ding
Ding

