KST-42D16-02GZ-125E-0004 Lead Screw Stepper Motor - 0.25N·m Holding Torque, 2mm Lead, 1.8° Step Angle for Precision Automation
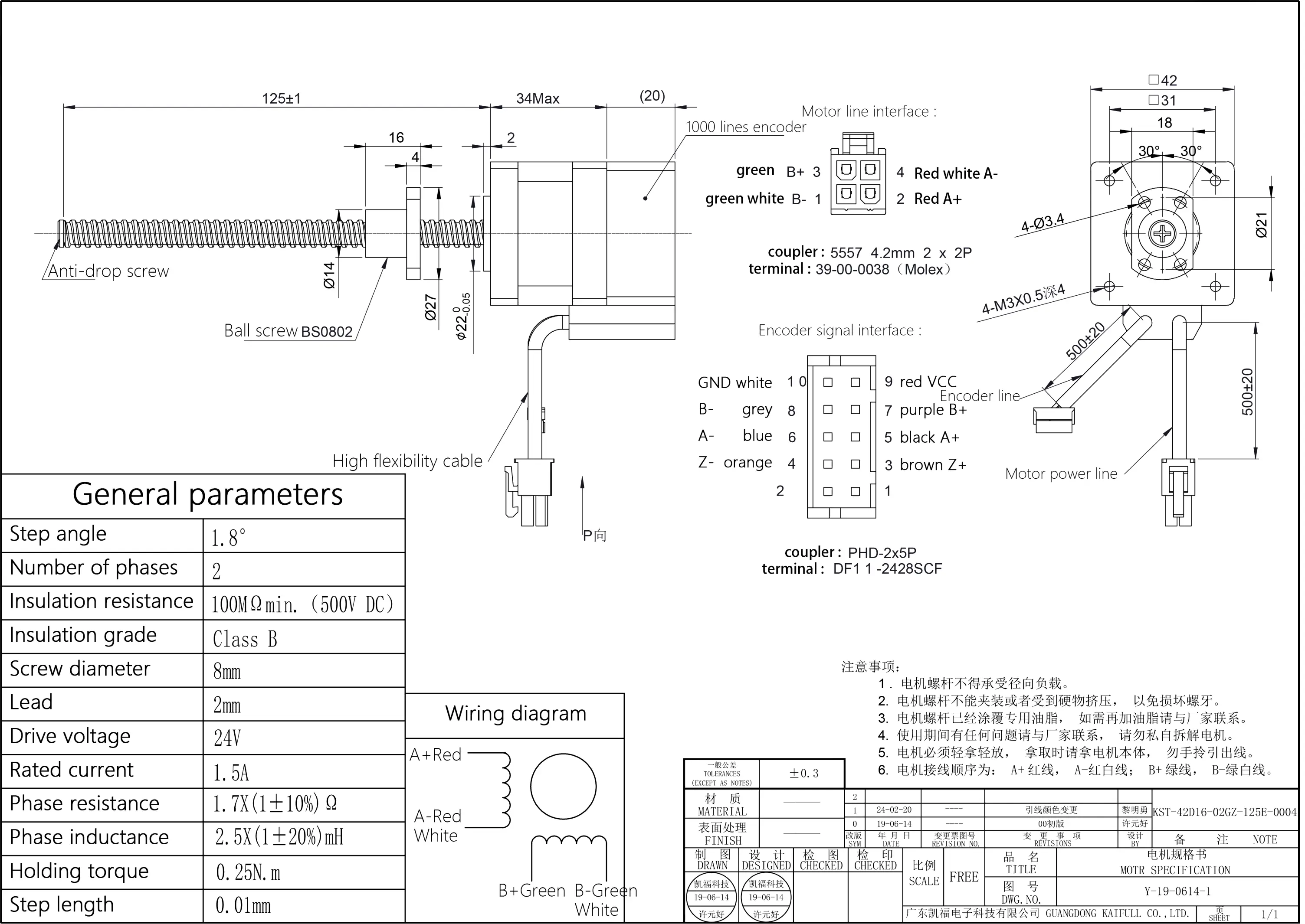
The KST-42D16-02GZ-125E-0004 Lead Screw Stepper Motor delivers 0.25N·m holding torque and a 2mm lead, making it a reliable solution for precision automation. With a 1.8° step angle and a 0.01mm step length, this motor ensures high repeatability, ideal for applications such as laboratory automation, medical devices, and CNC systems.
Featuring a 125mm screw length, this motor is designed for medium-range installations. Its Class B insulation and 100MΩ insulation resistance ensure reliable performance in demanding environments. The motor’s 1.5A rated current and 1.7Ω resistance optimize energy efficiency, while the 2.5mH inductance ensures smooth operation.


















| ●Motor configuration and performance parameters | |||||||||||||||||||||||||||||
|
|||||||||||||||||||||||||||||








Daniel.Ding
Ding




