KST-42B22-D-0002 NEMA 17 5-Phase Stepper Motor – 0.72° Step Angle, 0.75A, 0.15N·m Holding Torque, 42mm Frame
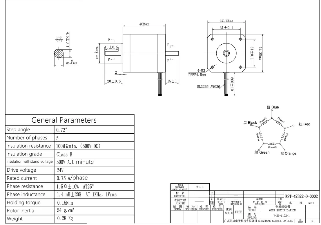
The KST-42B22-D-0002 is a compact and reliable 5-phase stepper motor with a 42mm frame size (NEMA 17), designed for precision motion control in automation, robotics, and medical equipment. With a fine 0.72° step angle, it delivers smooth and accurate positioning for systems demanding high-resolution movement.
Operating at 0.75A rated current, it generates a holding torque of 0.15N·m, supported by a rotor inertia of 54 g·cm², making it suitable for medium-load, high-accuracy tasks. The motor features a 5mm shaft diameter, 20mm axis length, and a compact 40mm body length, weighing just 280g, which ensures ease of integration into various equipment designs.
| ●Motor configuration and performance parameters | |||||||||||||||||||||||
|
|||||||||||||||||||||||








Daniel.Ding
Ding



