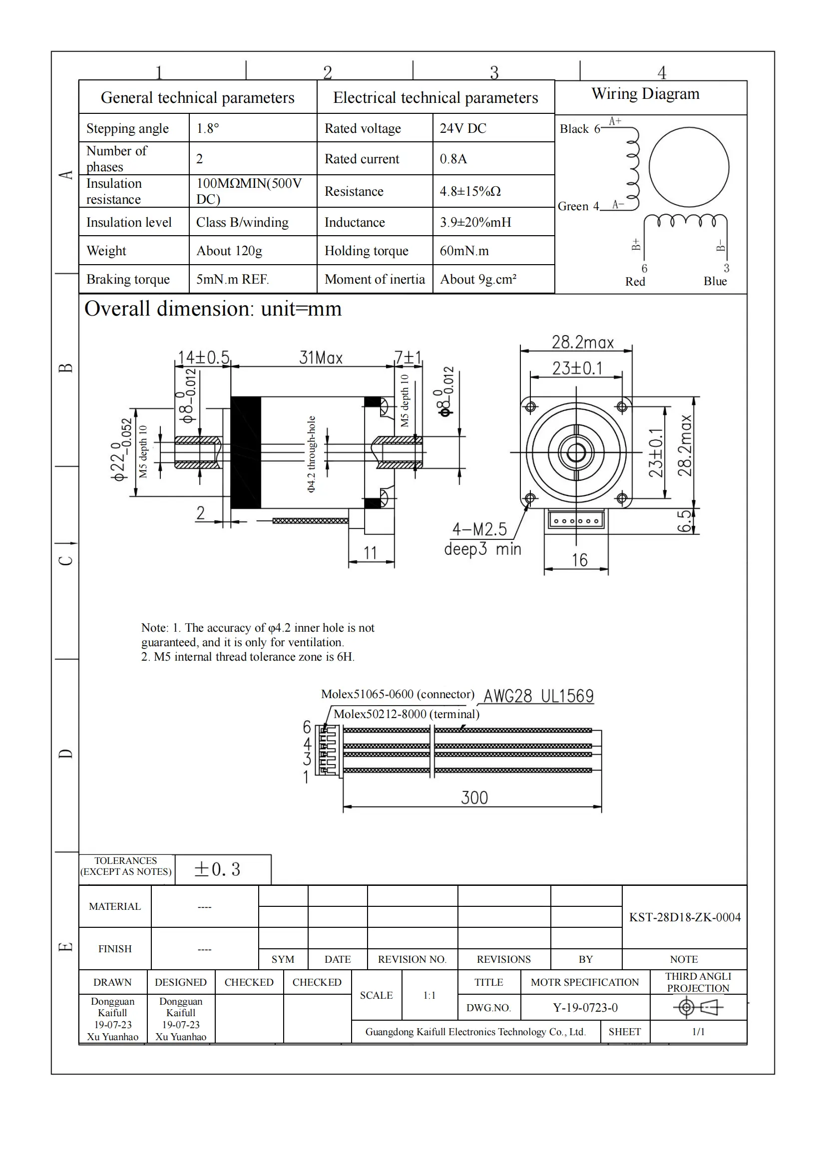
KST-28D18-ZK-0004 1.8° Stepper Motor, 0.8A Rated Current, 3.9mH Inductance, 120g, 60mN.m Holding Torque, 24V DC
The KST-28D18-ZK-0004 is a high-precision stepper motor designed for compact applications requiring reliable motion control. With a step angle of 1.8°, it ensures accurate positioning and is ideal for applications such as automation systems, small robotics, and precision instruments.
This motor operates at a rated voltage of 24V DC and a rated current of 0.8A, offering efficient performance with minimal power consumption. The resistance is 4.8Ω, and the inductance is 3.9mH, ensuring smooth and stable operation, even in more sensitive setups.
With a holding torque of 60mN·m and a braking torque of 5mN·m, the motor provides excellent holding power and can handle light loads effectively. The moment of inertia is 9g·cm², enabling quick responses with minimal vibration, making it an excellent choice for lightweight, high-precision systems.
At only 120g, this motor is incredibly lightweight, making it an ideal choice for applications where space and weight are limited. Its compact design does not compromise performance, offering reliability and precision in motion control.
| ●Motor configuration and performance parameters | |||||||||||||||||||||||||||||
|
|||||||||||||||||||||||||||||








Daniel.Ding
Ding



