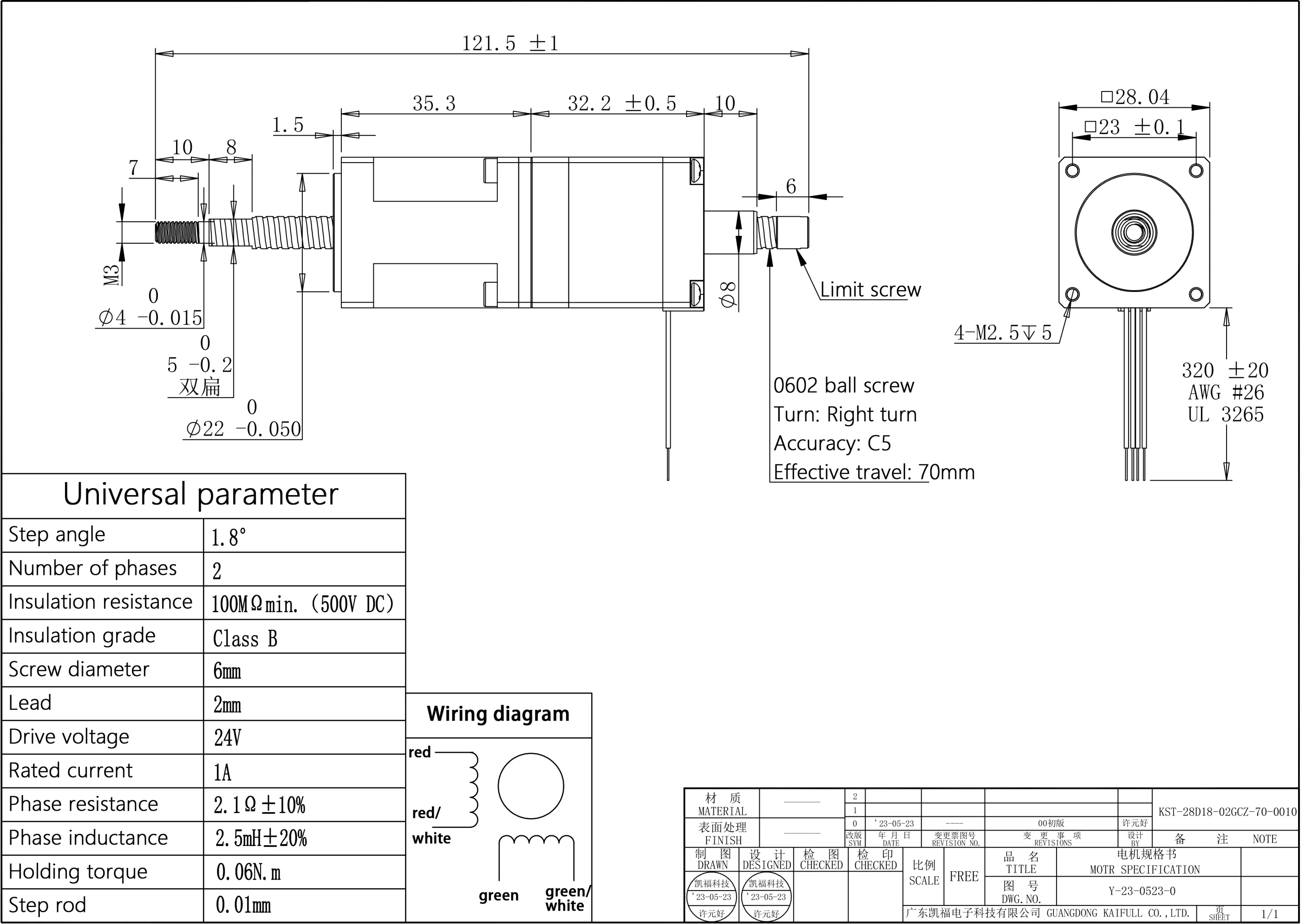
KST-28D18-02GCZ-70-0010 Lead Screw Stepper Motor - 0.06N·m Holding Torque, 2mm Lead, 1.8° Step Angle for Compact Automation
The KST-28D18-02GCZ-70-0010 Lead Screw Stepper Motor delivers 0.06N·m holding torque and a 2mm lead, making it ideal for space-constrained automation. With a 1.8° step angle and a 0.01mm step length, this motor ensures precise repeatability for applications like optical alignment, micro-dispensing, and small-scale CNC systems.
Featuring a 70mm screw length, this motor is designed for compact installations. Its Class B insulation and 100MΩ insulation resistance guarantee reliable performance in demanding environments. The 1A rated current and 2.1Ω resistance optimize energy efficiency, while the 2.5mH inductance ensures smooth operation.


















| ●Motor configuration and performance parameters | |||||||||||||||||||||||||||||
|
|||||||||||||||||||||||||||||








Daniel.Ding
Ding
