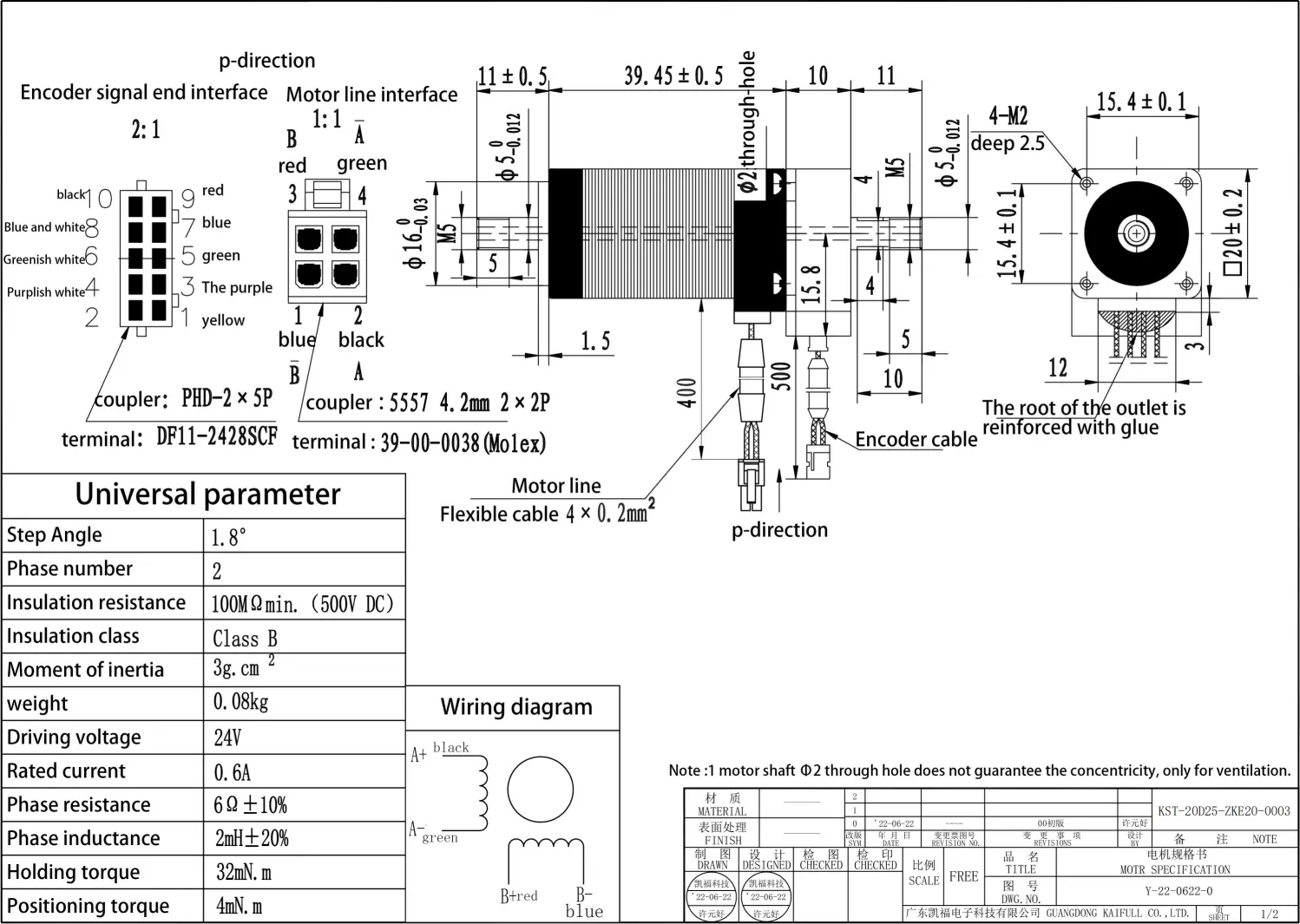
KST-20D25-ZKE20-0003 1.8° Stepper Motor, 0.6A Rated Current, 0.032N.m Holding Torque, 20mm Frame Size
The KST-20D25-ZKE20-0003 is a compact and efficient 20mm frame stepper motor, ideal for small-scale motion control applications. With a 1.8° step angle and 0.6A rated current, this motor provides excellent precision and reliability in systems where space is at a premium.
Key features include a holding torque of 0.032N·m, ensuring stable performance in lightweight applications. The motor operates with a resistance of 6.0Ω and an inductance of 2mH, offering good energy efficiency for its size. The rotor inertia of 3g·cm² allows for quick acceleration and deceleration, making it suitable for dynamic systems.
At 80g in weight and 49.45mm in motor length, the KST-20D25-ZKE20-0003 is perfect for devices like printers, medical equipment, and small robots, where a compact yet powerful motor is needed. The shaft diameter of 5mm and axis length of 11mm ensure easy integration into various applications, while the 4 leads offer versatile wiring options.
This stepper motor is ideal for applications requiring low torque and high precision, such as small mechanical assemblies, precise positioning tasks, and other motion control systems.
| ●Motor configuration and performance parameters | |||||||||||||||||||||||||||
|
|||||||||||||||||||||||||||








Daniel.Ding
Ding
