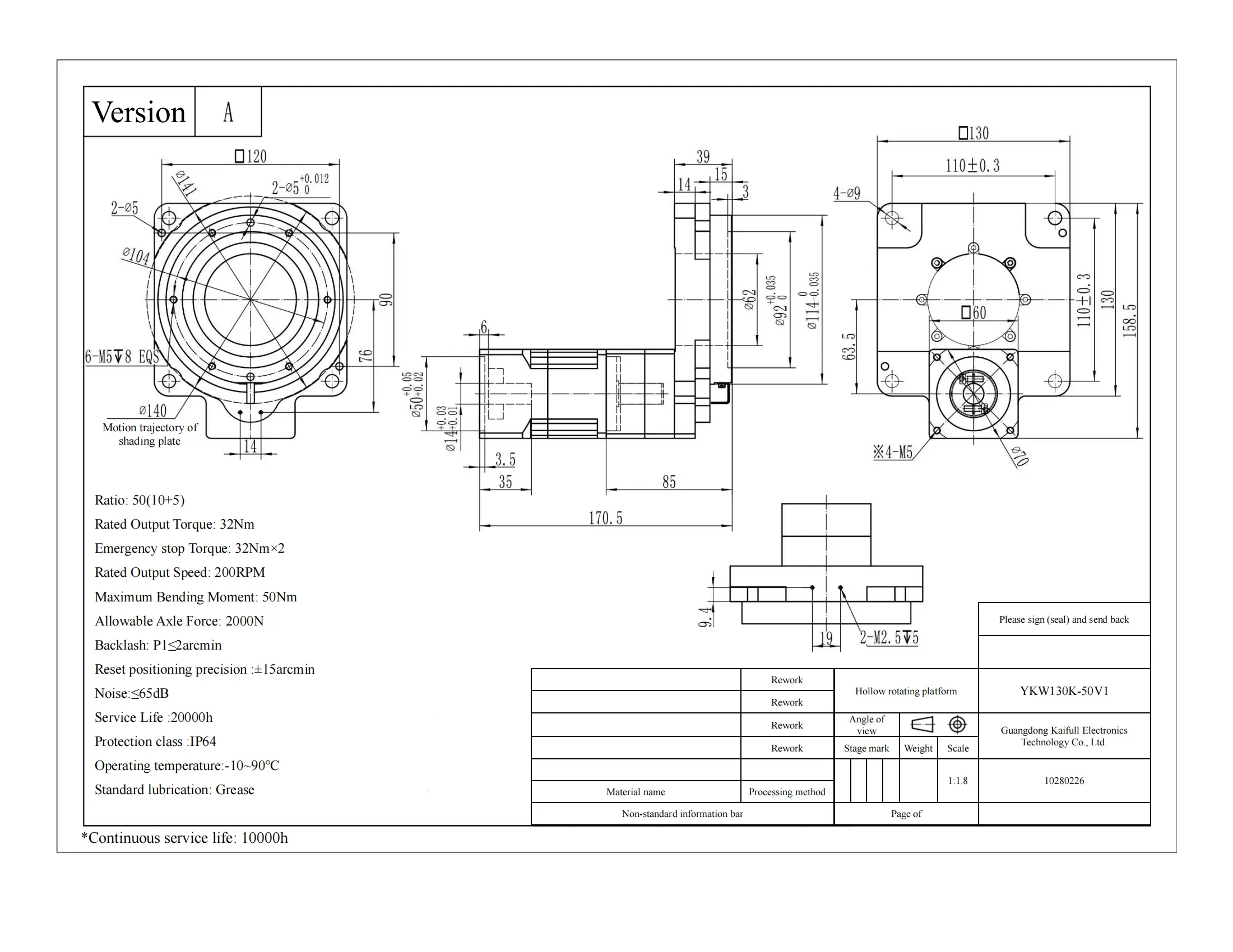
High Torque Hollow Rotary Platform YKW130K-50V1 – 130mm, 50:1 Reduction Ratio
The YKW130K-50V1 Hollow Rotary Platform offers robust performance with a 130mm size and a 50:1 reduction ratio, making it ideal for high-precision tasks that require substantial torque. Capable of delivering 45N·m output torque, it supports demanding loads, including a 100N axial load and a 60N·m radial force. This platform can operate at 200 RPM maximum speed, providing flexibility in various industrial applications.
The YKW130K-50V1 guarantees 8 arc-min positioning accuracy and ≤±30 arc-sec repeated positioning accuracy, ensuring high precision in automation, robotics, and CNC applications. Its 62mm hollow shaft enables easy integration for cable management and space optimization.
Key Features:
- High Torque Output: Provides 45N·m output torque, enabling heavy-duty applications.
- Efficient Hollow Shaft Design: The 62mm hollow shaft design simplifies installation and integrates easily with other systems.
- Precision Performance: 8 arc-min positioning accuracy and ≤±30 arc-sec repeatability for high-precision motion control.
- Durable & Reliable: Handles 100N axial load and 60N·m radial force, ensuring long-term, high-performance operation.
- Speed Flexibility: Maximum speed of 200 RPM is suitable for a variety of precision tasks.
- Motor Compatibility: Compatible with motors with a 14mm shaft diameter, 70mm PCD, and M4 motor mounting.
The YKW130K-50V1 is an excellent solution for demanding robotic, CNC, and automation systems where accuracy, durability, and high torque are essential.








| ●Motor configuration and performance parameters | |||||||||||||||||||||||||
|
|||||||||||||||||||||||||








Daniel.Ding
Ding

