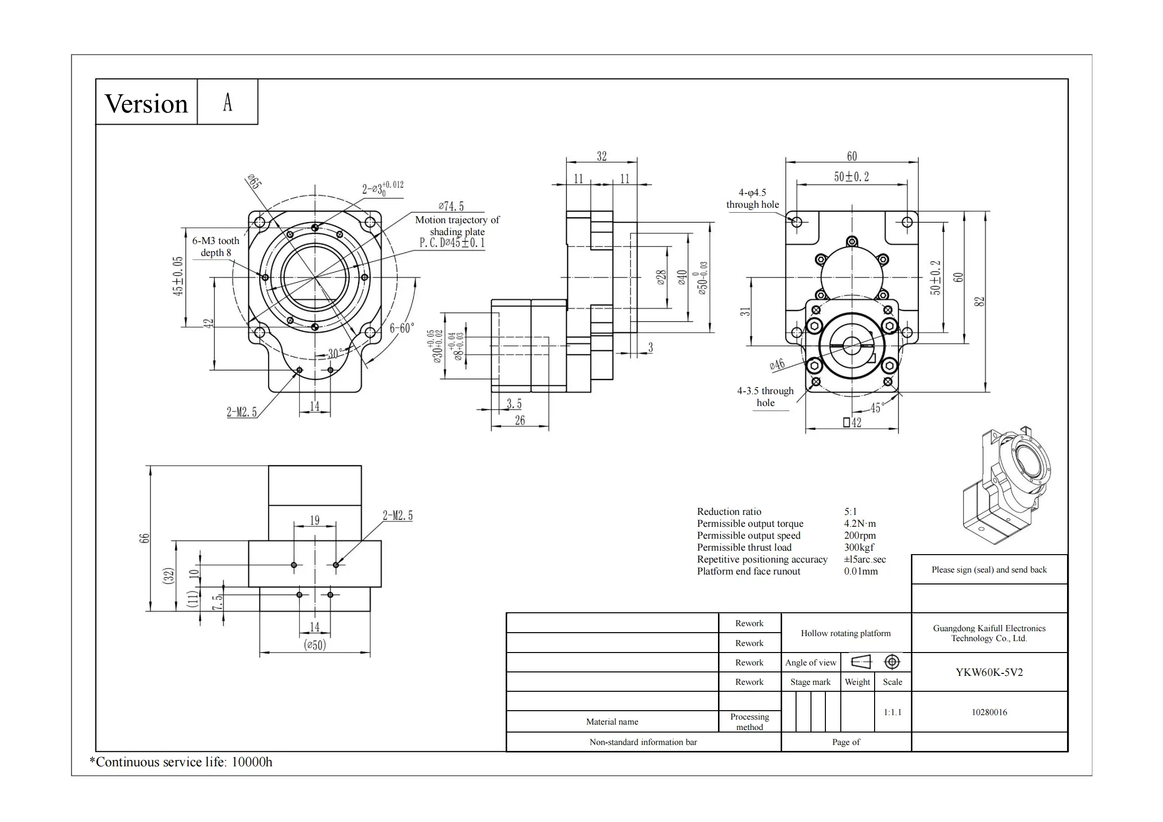
High Precision Hollow Rotary Platform YKW60K-5V2 – 60mm, 5:1 Reduction Ratio
The YKW60K-5V2 Hollow Rotary Platform is a compact and robust solution for high-precision rotational applications. With a 5:1 reduction ratio and a hollow shaft design, this platform is perfect for space-constrained systems while delivering exceptional torque and accuracy. Engineered for high efficiency and durability, it supports a range of industrial, robotic, and automation applications requiring precise movement and high torque.
Key Features:
- Compact Size: The YKW60K-5V2 has a 60mm diameter, making it ideal for installations with limited space while maintaining high functionality.
- Hollow Shaft Design: The 28mm hollow shaft offers easy integration with other system components, allowing for wiring or additional components to pass through the platform.
- Motor Compatibility: Compatible with K-type upright double teeth motors, providing a reliable and efficient drive system.
- High Torque Capacity: It can support a maximum output torque of 5N·m, making it suitable for demanding industrial and robotic applications.
- Positioning Accuracy: Offers high precision with a positioning accuracy of ≤3 arc-min and a repeated positioning accuracy of ≤±15 arc-sec, ensuring fine-tuned movement in critical applications.
- Load Handling: Capable of withstanding axial loads of up to 10N and radial forces of 5N·m, ensuring durability and long operational life.
- High-Speed Performance: The YKW60K-5V2 supports a maximum output speed of 200 RPM, offering high-speed rotation capabilities for dynamic tasks.
The YKW60K-5V2 hollow rotary platform is ideal for applications in robotics, automation systems, and machinery where precise, high-speed rotational movement is required, while maintaining compact dimensions for space efficiency.











| ●Motor configuration and performance parameters | |||||||||||||||||||||||||
|
|||||||||||||||||||||||||








Daniel.Ding
Ding

