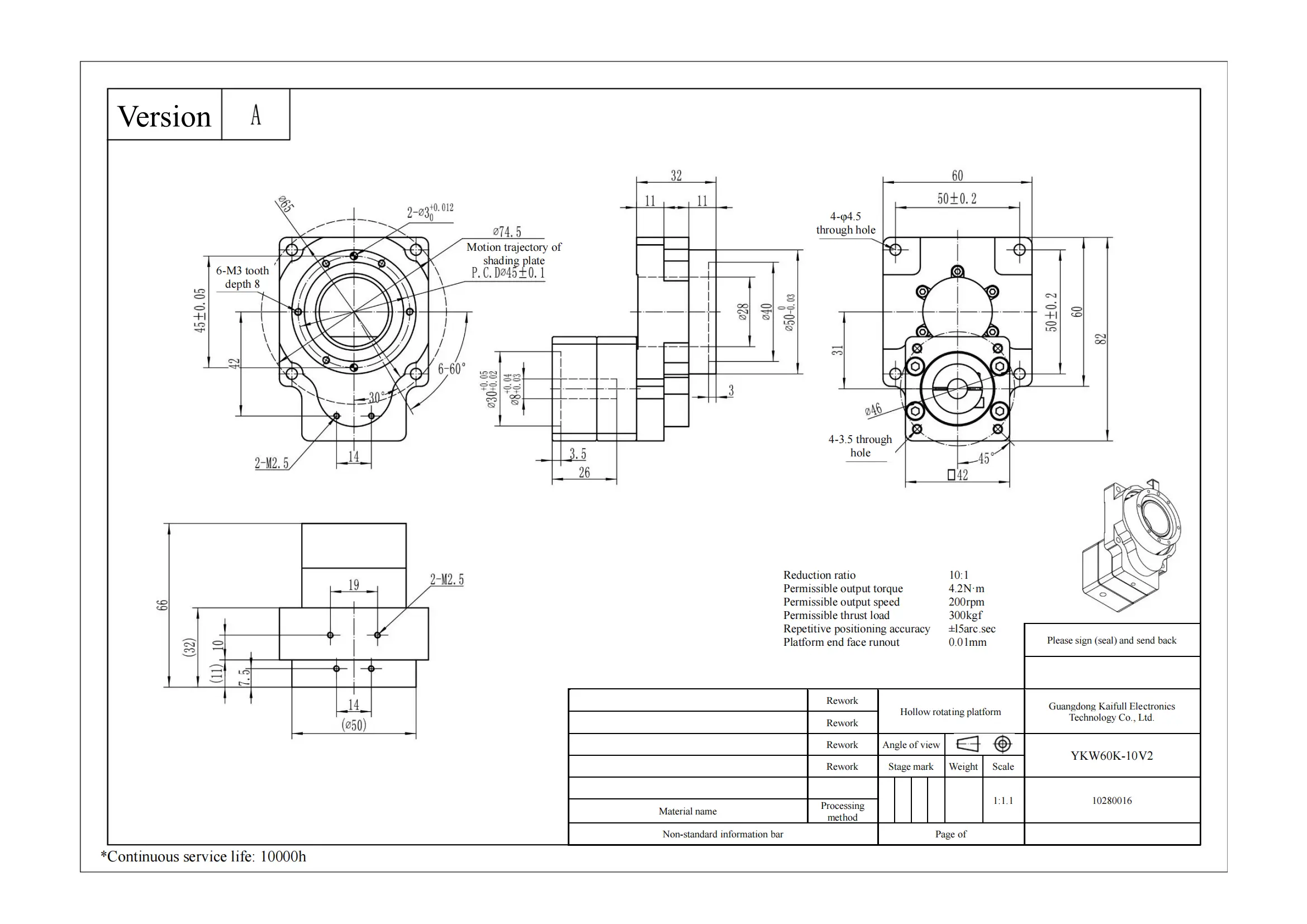
High Precision Hollow Rotary Platform YKW60K-10V2 – 60mm, 10:1 Reduction Ratio
The YKW60K-10V2 Hollow Rotary Platform is engineered for high-precision rotational movements with a 10:1 reduction ratio, ideal for applications requiring fine positioning and compact form factors. With its hollow shaft design, this platform provides space-saving integration options, allowing for cables or other components to pass through while maintaining superior torque performance. The platform is perfect for robotic, automation, and industrial systems that demand high rotational accuracy and torque without compromising on size.
Key Features:
- Compact Size: The YKW60K-10V2 has a 60mm diameter, allowing it to fit into tight spaces while providing excellent performance.
- Hollow Shaft Design: The 28mm hollow shaft provides easy passage for wiring or additional components, optimizing your system’s design.
- Motor Compatibility: Works seamlessly with K-type upright double teeth motors for enhanced reliability and performance.
- High Torque Capacity: Capable of handling an output torque of up to 5N·m, ideal for applications requiring high rotational force.
- Positioning Accuracy: With a positioning accuracy of ≤3 arc-min and repeated positioning accuracy of ≤±15 arc-sec, the platform ensures precise, repeatable movement.
- Load Handling: Supports axial loads up to 10N and radial forces of 5N·m, making it suitable for heavy-duty applications.
- High-Speed Performance: The YKW60K-10V2 can operate at speeds of up to 200 RPM, allowing for fast and efficient rotations.
The YKW60K-10V2 hollow rotary platform is a versatile solution for applications in industrial automation, robotics, and high-precision machinery, providing high torque, precision, and space efficiency.











| ●Motor configuration and performance parameters | |||||||||||||||||||||||||
|
|||||||||||||||||||||||||








Daniel.Ding
Ding

