High-Precision 24V Bipolar Stepper Motor Y07-43D4-5065D
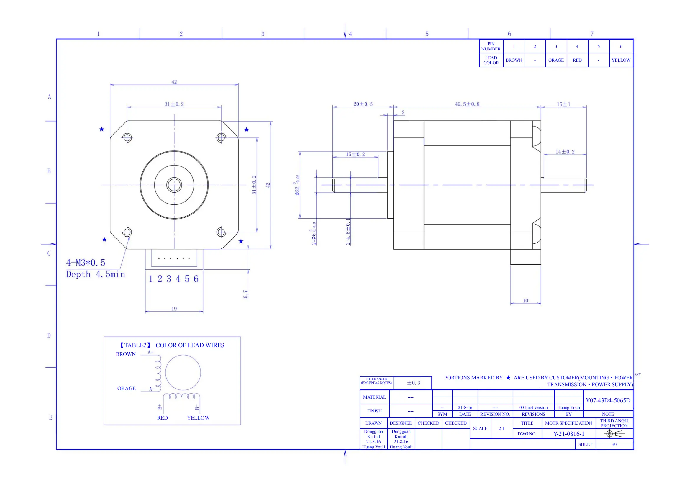
The Y07-43D4-5065D stepper motor is designed for applications requiring high precision and reliability. With a step angle of 1.8° and a continuous duty rating, this motor operates efficiently at a drive voltage of 24V DC. It features a rated current of 1.0A per phase, ensuring adequate torque for various tasks. The motor's winding resistance is 1.8Ω ±15%, paired with an inductance of 4.0mH ±20%, which optimizes performance across a range of operating conditions.
Designed with a robust insulation class of UL Class B, this motor guarantees long-lasting durability and reliability in demanding environments. It offers a holding torque of 0.54N·m (5.4kgf·cm) minimum, allowing it to maintain position effectively, while a detent torque of 30mN·m (300gf·cm) provides additional stability.
With a maximum starting pulse rate of 800 pulses per second and a positional accuracy of ±0.09°, this stepper motor is ideal for precision applications such as CNC machinery, robotics, and automated systems. Its dielectric strength of 500V AC for one minute ensures safety against electrical faults, while an insulation resistance of 100 MΩ minimum adds an extra layer of protection.
The Y07-43D4-5065D is an exceptional choice for engineers and designers looking for a reliable stepper motor that meets stringent performance criteria in a variety of industrial applications.
| ●Motor configuration and performance parameters | ||||||||||||||||||||||||||||||||||||||||||||||||||||||||||||||||||||||||||||||||||||||||
|
||||||||||||||||||||||||||||||||||||||||||||||||||||||||||||||||||||||||||||||||||||||||








Daniel.Ding
Ding



