High-Performance 24V DC Stepper Motor Y07-59D1-17156D
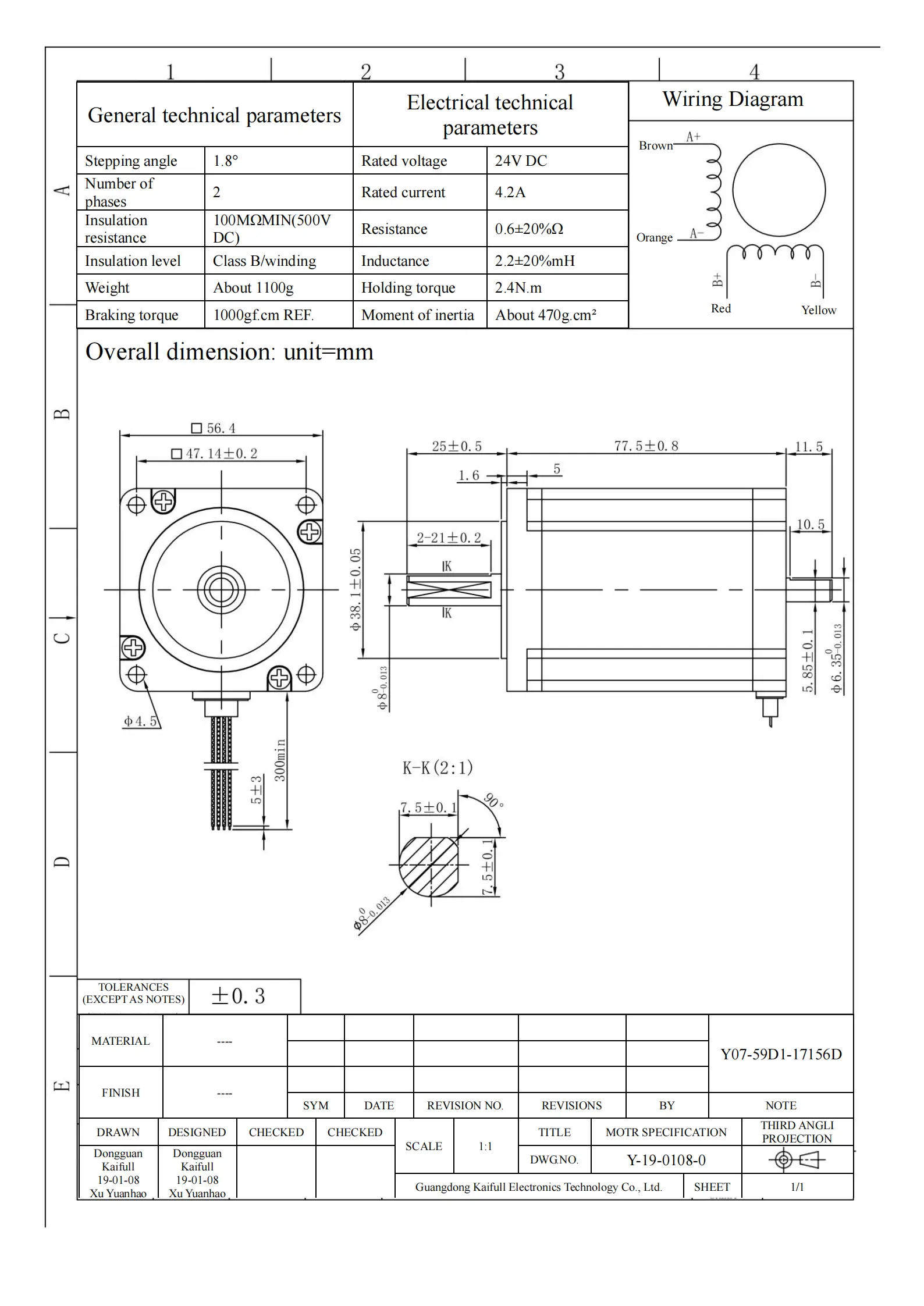
The Y07-59D1-17156D stepper motor is engineered for precision and reliability, making it ideal for applications in robotics, CNC machines, and automation systems. With a stepping angle of 1.8° and a rated voltage of 24V DC, this motor delivers the accuracy and responsiveness necessary for high-performance tasks.
Designed to operate with a rated current of 4.2A, the Y07-59D1-17156D boasts a substantial holding torque of 2.4N.m, ensuring effective load management during operation. Its braking torque of 1000gf.cm enhances its capability to maintain position under varying loads, providing stability for critical applications.
This motor features exceptional insulation resistance of 100MΩ minimum (at 500V DC) and a resistance rating of 0.6±20Ω, contributing to its long-lasting performance. Built to Class B insulation standards, it has an inductance of 2.2±20% mH, which helps minimize heat generation during operation.
Weighing approximately 1100g with a moment of inertia of around 470g.cm², the Y07-59D1-17156D combines robustness with precision. It is a top choice for engineers and manufacturers seeking dependable motion control solutions that meet high operational demands.
| ●Motor configuration and performance parameters | |||||||||||||||||||||||||||||
|
|||||||||||||||||||||||||||||








Daniel.Ding
Ding



