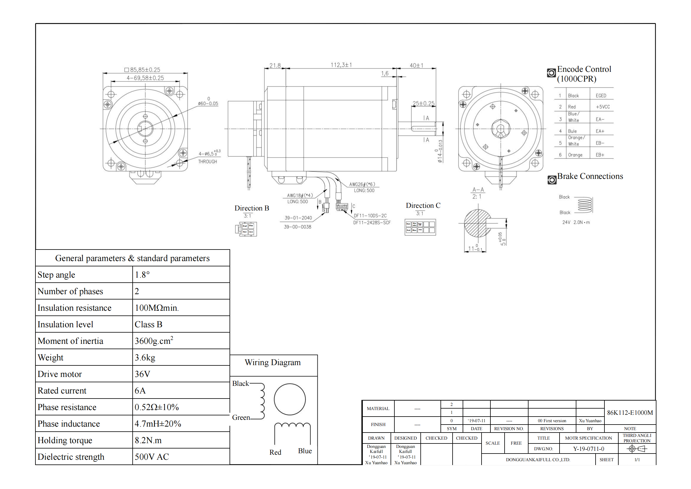
86K112-E1000M Closed-Loop Stepper Motor with 8.2Nm Holding Torque
The 86K112-E1000M Closed-Loop Stepper Motor is designed for high-performance applications, providing exceptional precision and control with a step angle of 1.8°. This two-phase motor boasts an impressive holding torque of 8.2Nm, making it suitable for demanding tasks that require stable and reliable motion. It features a minimum insulation resistance of 100MΩ and is classified under Class B insulation, ensuring safe operation in various industrial environments. Operating at 36V with a rated current of 6A, the motor has a phase resistance of 0.52Ω±10% and a phase inductance of 4.7mH±20%, delivering efficient power usage. With a moment of inertia of 3600g.cm² and a weight of 3.6kg, it is capable of handling heavy loads while maintaining high accuracy. Additionally, its dielectric strength of 500V AC enhances durability, making the 86K112-E1000M a reliable choice for high-torque, precision-driven applications.
| ●Motor configuration and performance parameters | |||||||||||||||||||||||||||
|
|||||||||||||||||||||||||||

-

Up cross
Download







Daniel.Ding
Ding

