0102030405
42K60-E1000 Closed-loop Stepper Motor – 42mm Frame, 1.8° Step Angle
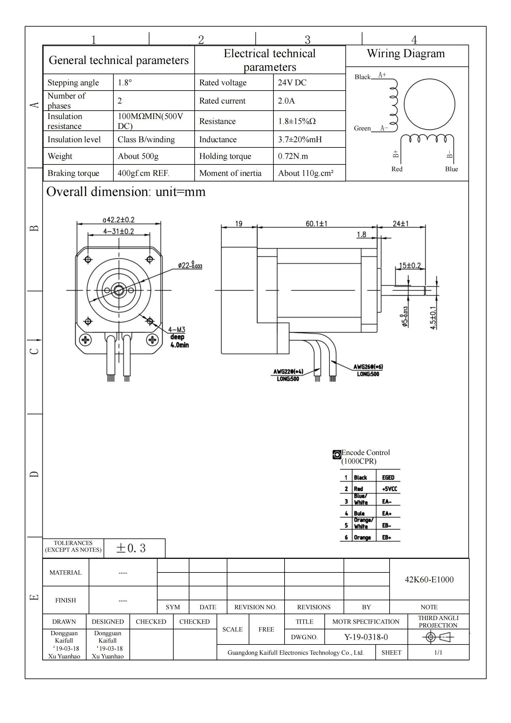
The 42K60-E1000 closed-loop stepper motor, with a 42mm frame size, offers exceptional precision and performance for demanding applications. Featuring a 1.8° step angle, this motor ensures smooth motion and reliable torque delivery, making it ideal for automation, robotics, and other precision machinery.
With a rated current of 2A, a resistance of 2Ω, and an inductance of 4.15mH, the 42K60-E1000 provides efficient power utilization while minimizing heat buildup. The motor’s low rotor inertia of 110g.cm² ensures quick response times, while the minimum thrust of 0.72N guarantees high torque performance even at lower speeds.
The 5mm shaft diameter and a motor length of 77.9mm make this motor compact and versatile, suitable for a wide range of applications. Whether you're working on CNC machines, 3D printers, or other automated systems, this motor is designed to offer reliable, high-performance results.
| ●Motor configuration and performance parameters | |||||||||||||||||||||||||||
|
|||||||||||||||||||||||||||








Daniel.Ding
Ding

